
Analogue Inputs to MIDI Out
Courtesy/Thanks to: Tom Scarff
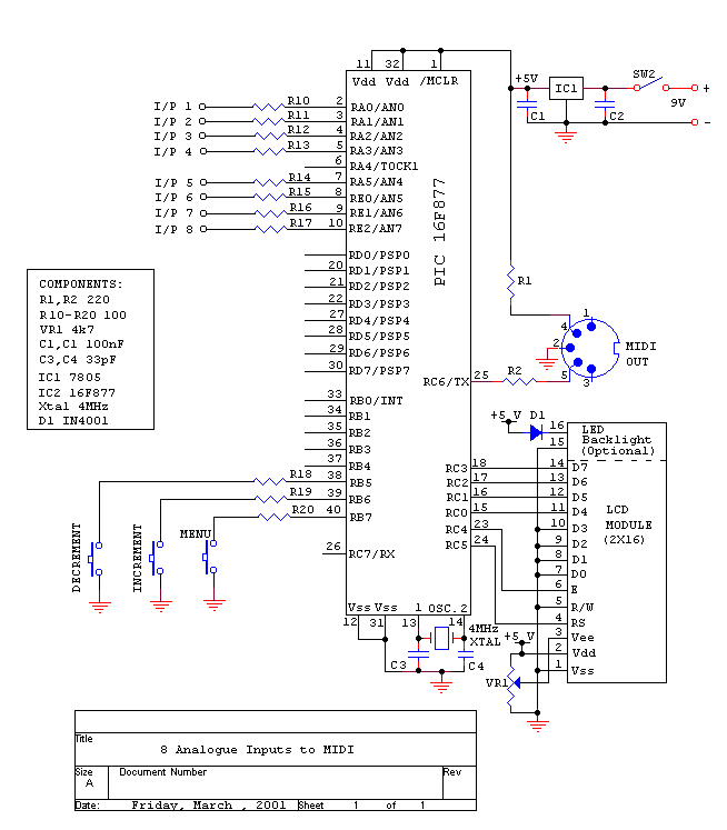
Description: This allows up to 8 analogue inputs (with a range from 0 to 5 volts) to produce selectable MIDI control output commands. The analogue inputs could be rotary or slider potentiometers which are connected to 0 to 5 volts. Also the inputs could be connected to Force Sense Resistors (FSR), Light Dependent Resistors, Magnetic hall effect sensors via suitable interfacing etc. Note that unused inputs should be grounded to the 0 Volt line to prevent spurious noise pickup.
Find more information and buy the PCB and source file on Tom Scarff homepage.
Comments
You need to be logged in to add a comment.