Search
Menu
Special Pages
Login
No picture available
Connect a picture (already uploaded)
Add a new picture

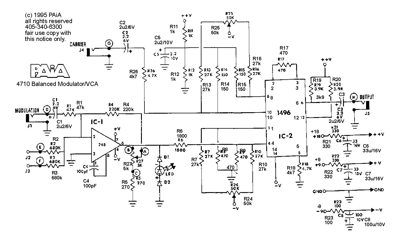
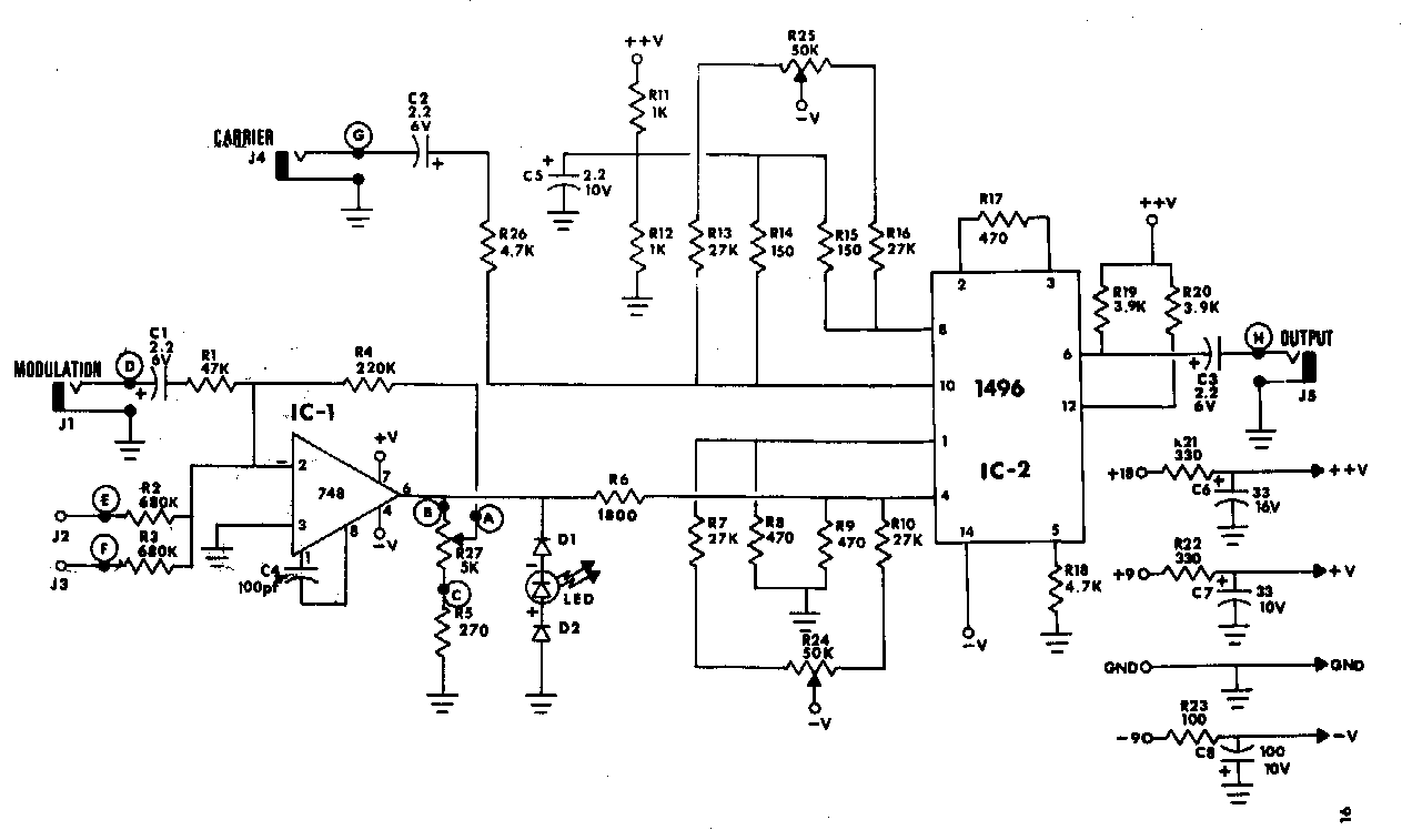
4710

Balanced Modulator

Courtesy/Thanks to: Paia

Description: Balanced modulators are identified by a number of different
names and to the average musician the most familiar is
probably ring modulator. A ring modulator is simply a
specific means of implementing a balanced modulator using a
diode ring as the modulating element. As far as function is
concerned there is no difference between the two.


For the purposes of this explanation a third name, Four
Quadrant Multiplier, not only gives us something to call the
module but as we shall shortly see is also an exact statement
of what it does....

Comments

You need to be logged in to add a comment.

Editing and adding
You need to be logged in to edit and add files and urls etc.
Categories & Tags
Popular tags for this:


You must be logged in to add tags.

Inventory & Trading

You need to be logged in to administer your inventory

No one is selling this product at this time.

Files
PAIA_4710_Balanced_Modulator.gif
   Schematics fro the Paia 4710
4710balm.txt
   PAiA 4710 Balanced Modulator Design Analysis, originally published 1974
4710balm.gif
   4710 Schematics
4710figs.gif
   Explanatory wavefigures of the 4710 operations
Manufacturers
Paia
   DIY Kit manufacturer since 1967
Modular mother system
4700
   Modular Synthesizer System
Parts used
LM1496
   LM 1496 Balanced Modulator-Demodulator
LM748
   Operational Amplifier
Similar on Ebay