Search
Menu
Special Pages
Login
No picture available
Connect a picture (already uploaded)
Add a new picture

MU-TRON Octave Divider

Octave Divider Guitar Pedal

Courtesy/Thanks to: Musitronics

Description: The MU-TRON Octave divider gives a much richer sound to your guitar or other input source.

Videos

Video: MU-TRON Octave Divider Demo

Comments

You need to be logged in to add a comment.

Editing and adding
You need to be logged in to edit and add files and urls etc.
Categories & Tags
Popular tags for this:


You must be logged in to add tags.

Inventory & Trading

You need to be logged in to administer your inventory

No one is selling this product at this time.

Files
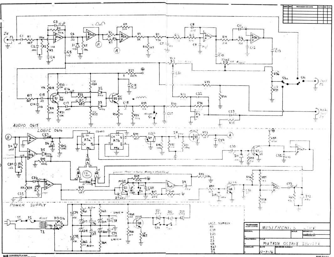
MutronOct.jpg
   Schematics for the MU-TRON Octave Divider
Links
www.musitronics.net/
   Musitronics.net provides information about Musitronics and the Mu-Tron products, as well as a forum
Videos
Similar on Ebay