Search
Menu
Special Pages
Login
No picture available
Connect a picture (already uploaded)
Add a new picture

RS2

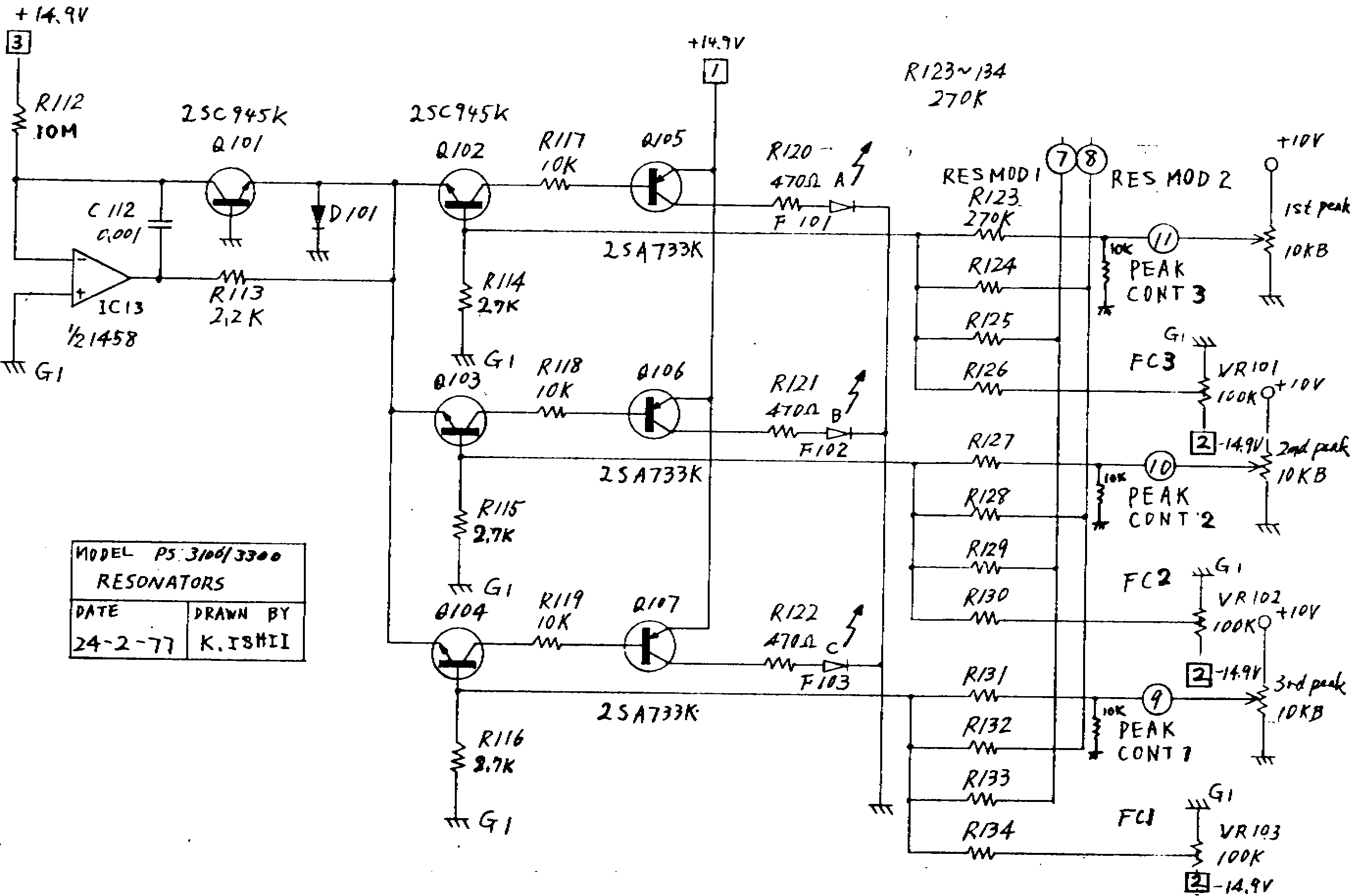
Korg PS3100 PS3300 model resonator

Courtesy/Thanks to: Korg

Description:

Comments

You need to be logged in to add a comment.

Editing and adding
You need to be logged in to edit and add files and urls etc.
Categories & Tags
Popular tags for this:


You must be logged in to add tags.

Inventory & Trading

You need to be logged in to administer your inventory

No one is selling this product at this time.

Files
KORGRS2.gif
   Schematics for the RS2. Korg PS3100 PS3300 resonator. drawn by K. Ishii
Manufacturers
Korg
   
Similar on Ebay