Search
Menu
Special Pages
Login
No picture available
Connect a picture (already uploaded)
Add a new picture

CS15

Synthesizer

Courtesy/Thanks to: Yamaha

Description: The synthesizer that has brought a new and creative sound to the world of music is now a popular musical instrument, widely played by music minded people in all styles of music.

The CS-15 is a superb synthesizer unexcelled in operation and performance. It is designed by Yamaha employing the latest IC technology, and it is destined to be used by you to explore your own fantastic music universe!


The CS-15 is equipped with 2 complete VCO, VCF and VCA systems as well as 2 EGs. To make full use of its functions and to discover your original sound, please read the contets of the owners manual carefully.

Comments

You need to be logged in to add a comment.

Editing and adding
You need to be logged in to edit and add files and urls etc.
Categories & Tags
Popular tags for this:


You must be logged in to add tags.

Inventory & Trading

You need to be logged in to administer your inventory

No one is selling this product at this time.

Files
CS15E.pdf
   Yamaha Synthesizer CS15 owners manual
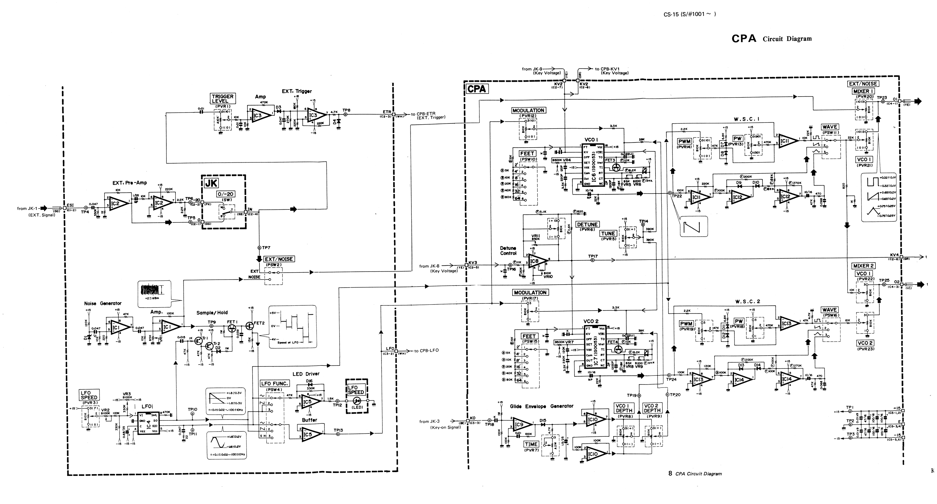
cs15_cpa.png
   Schematics for the CS-15 CPA circuit
cs15_cpb.png
   Schematics for the CS-15. CPB circuit diagram.
cs15_ssk.png
   Schematics for the CS-15. SSK circuit diagram
modcs151.jpg
   Schematics for midifcations for the CS-15. VCF series routing, VCF slave mode
Manufacturers
Yamaha
   
Similar on Ebay