Search
Menu
Special Pages
Login

Modular Synth Power Supply

+15V, -15V, +5V, -5V PSU

Courtesy/Thanks to: Roman Sowa

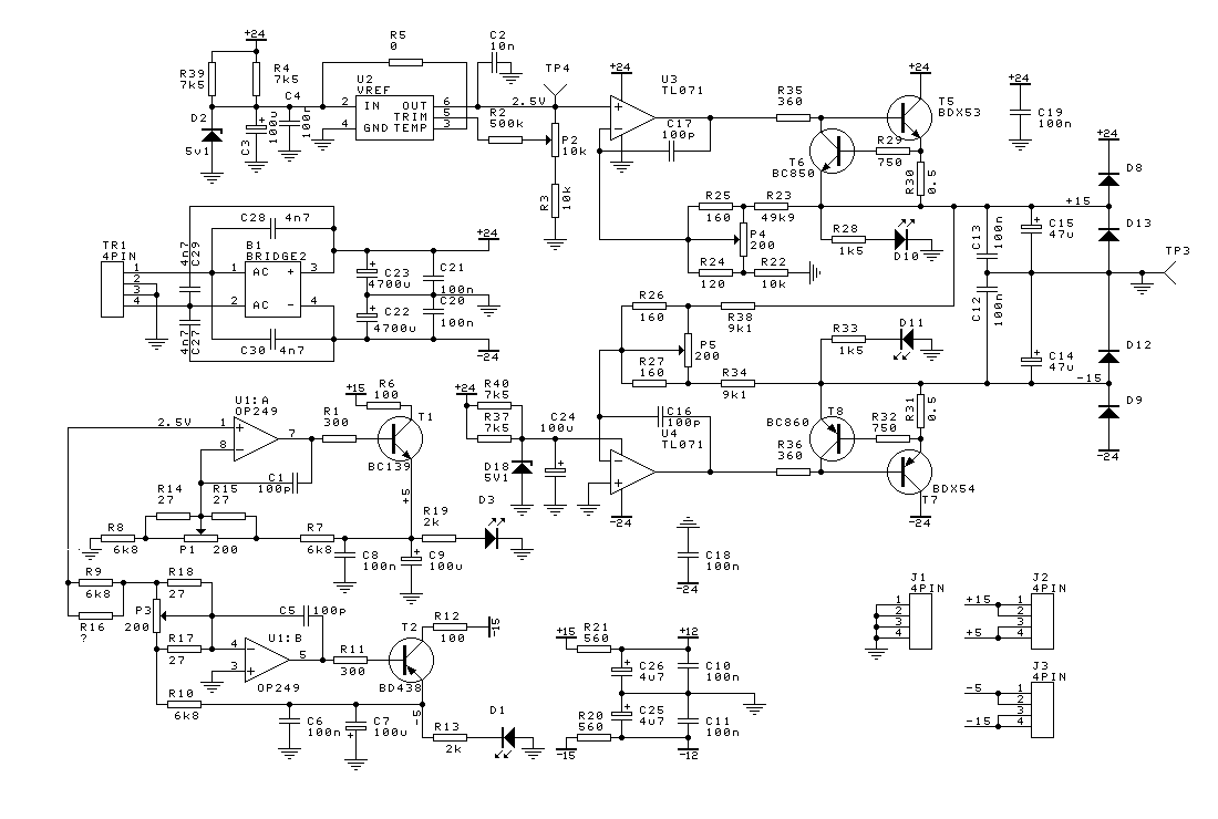
Description: From the site
The heart of the system is Analog Devices voltage reference REF03, but other chips with standard pinout fit there too. 15V regulators use common opamp (741 for now as I had only those at hand) and darlington transistor as power element. Current limit uses common scheme of current sensing resistor and additional transistor. There's significant drop at +15V when working under heavy load, but I will work on this.
5V supply is taken from stabilized +/-15V output, and uses precision opamp OP249 and smaller transistors. 5V are used only as a reference, and 100mA current limit is more than enough. They are trimmed by multiturn trimmers with small range of changes, so setting them with 100uV accuracy is no problem. The limit is accomplished simply by powering regulator transistors via 100ohm resistors.
All outputs are available at screw terminal strip at the edge ot the board (2 points for each voltage) while ground terminal strip sits at the ground star point in the middle. Another board is used to distribute the power to 20 modules.

Comments

You need to be logged in to add a comment.

Editing and adding
You need to be logged in to edit and add files and urls etc.
Categories & Tags
Popular tags for this:


You must be logged in to add tags.

Inventory & Trading

You need to be logged in to administer your inventory

No one is selling this product at this time.

Files
ps-nohs-sm.jpg
   Picture of Sowas PSU
ps-nohs-sm.jpg
   Picture of Sowas PSU
zasilacz.gif
   Schematics for Roman Sowas Power supply
Links
www.sowa.synth.net/
   Romcios home page
Manufacturers
Roman Sowa
   Creator of loads of cool stuff.
Parts used
TL071
   Low-Noise JFet-input Operational Amplifier
REF03
   2.5 V Precision Voltage Reference
BC860
   PNP Epitaxial Silicon Transistor
BDX54
   PNP Epitaxial Silicon Transistor
Similar on Ebay